Note: All Binder product sales are final. Non-cancelable, non-returnable (NCNR).
M12 circular connectors of the 715/766 series with B-coding have protection class IP67/IP68 and 360° EMC shielding. They are UL-approved and have a freely configurable screw, crimp and cage clamp connection as well as an overmoulded cable of 2m or 5m length as standard. They are available as cable or flange connectors, with screw locking according to DIN EN 61076-2-101.
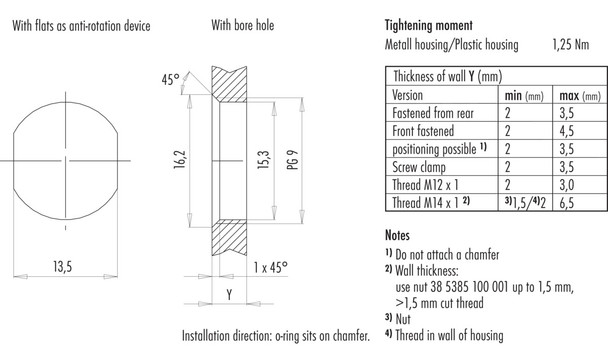
General Features| Part no. | 76 0133 0011 00105-0200 Alternative part no.: 09 4441 00 05 |
|---|
| Notice | Please note that, due to the change from the old to the new order number, there may be deviations in the technical specifications. For questions about product details, please use the Contact Customer Service form on the right. More |
|---|
| Connector design | Male panel mount connector |
|---|
| Wire length | 0.2 m |
|---|
| Version | Connector pin straight |
|---|
| Connector locking system | screw |
|---|
| Termination | single wires |
|---|
| Degree of protection | IP68 |
|---|
| Cross-sectional area | 0.25 mm² / AWG 24 |
|---|
| Temperature range from/to | -40 °C / 85 °C |
|---|
| Mechanical operation | > 100 Mating cycles |
|---|
| Weight (g) | 12.35 |
|---|
| Customs tariff number | 85369010 |
|---|

Electrical Parameters| Rated voltage | 60 V |
|---|
| Rated impulse voltage | 1500 V |
|---|
| Rated current (40 °C) | 4.0 A |
|---|
| Insulation resistance | > 10? ? |
|---|
| Pollution degree | 3 |
|---|
| Overvoltage category | II |
|---|
| Insulating material group | II |
|---|
| EMC compliance | unshielded |
|---|
Material| Housing material | Zinc die-cast nickel-plated |
|---|
| Contact body material | PA |
|---|
| Contact material | CuZn (brass) |
|---|
| Contact plating | Au (gold) |
|---|
| REACH SVHC | CAS 7439-92-1 (Lead)
|
|---|
| SCIP number | 8708edf1-2c74-46e7-b879-fe3518c1247f |
|---|