Note: All Binder product sales are final. Non-cancelable, non-returnable (NCNR).
Series 220 solenoid valve connectors have a low housing and comply with design B DIN EN 175301-803. In addition to the DIN standard, the industrial standard is also offered. These connectors with 2+PE contacts are available pre-assembled and PUR moulded (IP67) or as self-terminating variants with screw terminal connections. The series is complemented by device connectors, as well as flat and profile seals to increase the degree of protection. If an optical status display is also required, the available LED versions can be used.
General Features | Part no. | 32 5337 500 510 Alternative part no.: 32 1313 500 510 |
| Notice | Please note that, due to the change from the old to the new order number, there may be deviations in the technical specifications. For questions about product details, please use the Contact Customer Service form on the right. More |
| Connector design | Female solenoid valve connector |
| Cable length | 5 m |
| Version | Connector socket angled |
| Connector locking system | Central bolt |
| Termination | moulded on the cable |
| Degree of protection | IP67 |
| Cross-sectional area | 0.75 mm² / AWG 18 |
| Temperature range from/to | -25 °C / 80 °C |
| Mechanical operation | > 50 Mating cycles |
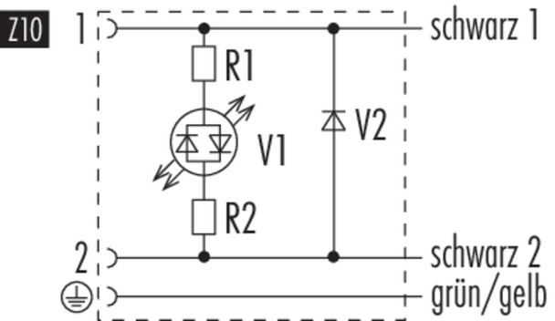
| Additional information | Circuit Z10 |
| Weight (g) | 300.00 |
| Customs tariff number | 85444290 |

Electrical Parameters | Rated voltage | 24 V |
| Rated impulse voltage | 800 V |
| Rated current (40 °C) | 4.0 A |
| Pollution degree | 3 |
| Overvoltage category | III |
| Insulating material group | I |
| EMC compliance | unshielded |
| Wiring | Z10 |
Material | Housing material | PBT |
| Contact body material | PA |
| Contact material | CuSn (bronze) |
| Contact plating | Sn (tin) |
| REACH SVHC | CAS 7439-92-1 (Lead) |
| SCIP number | SCIP-number not available |
Cable Data | Structure of the cable |
| Cable diameter | 5.9 mm |
| Sheath material | PUR |
| Single-lead structure | 3 x 0.75 mm |
| Cable color | black |